If reports are to be believed, perhaps 20 million digesters— almost all of them underground masonry digesters— have been built in China, and many millions have been built in India and other countries as well. Depending primarily on the size of the digester and local prices for bricks (etc.), such a unit may cost from US$350 to US$500 and up, which is a great deal of money for a village family in most of the world. Consider that in the year 2000…
“…about 59 percent of the Indian population (495 million people) had an annual household income of less than [$280]”
World Resources Institute, “Resource consumption patterns and implications: India”, 2006
Therefore the great majority of these millions of digesters have been built with government and international NGO subsidies (is that “sustainable”?), and will have been provided to people who are already in their country’s middle class, in effect. (Families with more than one cow, for example.)
Speaking generally, virtually all of these digesters are either “fixed dome” or “floating dome” (also known by some as “Chinese-style” and "“Indian-style” digesters, respectively), such as these two:
![]() |
![]() |
The process for building either type of digester (in any of their many variations) is roughly similar. One digs a large pit, and (most often using brick) builds up the main structure of the digester. Finishing touches are put on and in, and the digester is covered over with earth.
That’s a simple description of a process that can require significant work. And that implies that in the transition from a digester made from, say, a single 55-gallon drum to a digester made from two water tanks, to the point where one is considering an underground masonry digester, the game changes.
Consider long-term use, for example. Based on what we have seen, almost all 55-gallon drum digesters are fairly quickly abandoned— owners do not continue to feed and care for them— because, as mentioned above, they can be difficult to deal with and they do not provide truly practical amounts of biogas. Besides, most folks who build a 55-gallon drum digester are almost always trying to scratch an itch rather than meet a need. They want to know, but they don’t really need the biogas being produced. Use it, don’t use it: no biggie.
(Of course, if you don’t want or need full output from the digester, you can feed it less. Put it on a diet. But you won't get as much biogas…)
While data (known to us anyway) are not available, it would not be surprising if far fewer ARTI-style digesters were abandoned, because they can provide a good supply of cooking fuel, most folks who have them need that fuel, they would have a hard time paying to replace it, and the units require a fairly significant financial investment. Some, of course, will be abandoned, and if so our wager would be that a survey would find that owners (primarily in urban settings) found it difficult to continue to gather the amount of organic matter needed to keep the digester properly fed.
What has been found with studies of underground masonry digesters is that as long as the owners/users were properly selected [meaning, for example, a) they have an on-going source of organic matter to feed the digester, b) realistic expectations, and c) sufficient knowledge about & d) a committment to properly maintaining the digester], and if they continue to get good support from the program that built the digesters, most of those digesters will continue to be used, perhaps for 20 years or longer. And again, those who have the digesters would actually need the biogas for cooking and lighting; they could only replace those functions with considerable labor (gathering wood daily), or paying very scarce cash for kerosene or similar fuels.
<begin lecture>Similar points will apply to you, if you are considering building a small digester. That is, as the size increases, the expense likewise increases, and as well, the time and money required to maintain and feed the digester increases. To make it all work, you likewise would need to have a certain situation and outlook. Thus, again, as we (as you) transition from those smaller digesters to larger digesters, doing it because “it would be cool” or simply to learn more about biogas becomes less and less tenable as a primary motivation. Great place to start, but that can’t be all you’ve got, or it won’t be sustainable.
In other words, it would only make sense to build a larger digester where
- you have enough time, money, knowledge (TCBH?) and skill to do so,
- where there is enough organic matter on-site or conveniently nearby to keep it fed, and
- where the expected outcome has sufficient value, as you see it, to offset the expense, time, and hassle.
OK? That’s the lecture.
</end lecture>
Now as far as how that translates, first consider
[Note 03/12/13: The BSP Nepal site is back up (here), but we have not yet restored the old links, if they still exist.
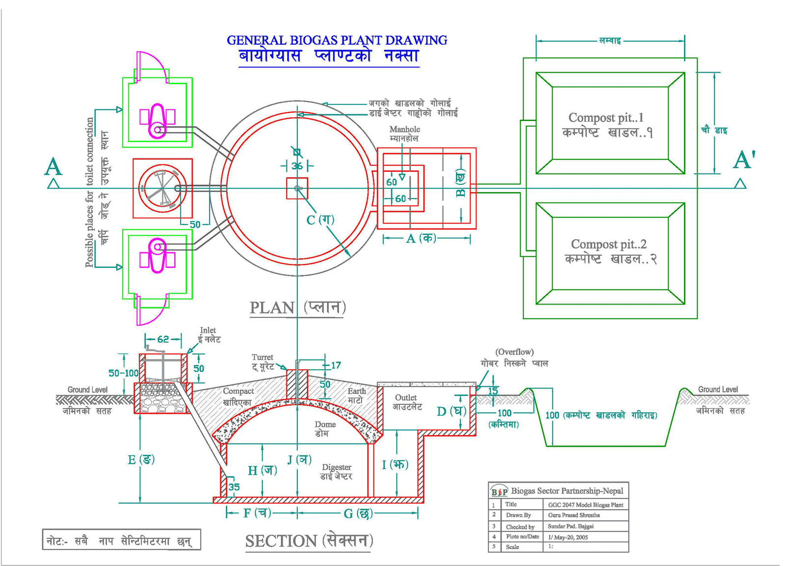
Consider a partial materials list for a typical underground masonry digester (a “fixed dome GGC 2047 model”) adapted from the Biogas Sector Partnership Nepal site (www.bspnepal.org.np).
The materials list provided below is not complete, and so the totals shown do not reflect the complete cost. Nevertheless, based on casual visits to a few hardware sales websites, we assume the listed materials, purchased at retail in the US, would cost
- $8.25 for ~100 lb bag of cement (50 kg = 110 lbs);
- 30¢ per brick (although as compared with Nepal, the size of our bricks may be different);
- both #34 “gravel” (1-1/2" to 2" rock fragments) and sand cost $35/ton (where a m3 of small rocks, sand, or gravel is about 3,800 lbs); and
- smaller gravel costs $28/ton.
We will not show the cost of each item in the table below, but based on the above information, if you are really interested, you can find out how we got the total costs we show by making your own spreadsheet, or you can contact us and we will send you what we have. Since BSP indicates one can use either rocks or bricks, we calculated based on which was cheaper.
We do not figure or include the cost of paint (last column below), because frankly it makes no sense to me that anyone could do very much that is practical with a single liter of paint when using it on a several cubic meter underground masonry digester. See further below for some suggestions for waterproofing the inside of such digesters.
| Plant Size m3 |
Cost of partial list of materials needed, on described basis |
Cement bags |
Rock (or) Bricks | Gravel (&) Sand | Paint | ||
|---|---|---|---|---|---|---|---|
| @50 kg/bag |
m3 | bricks | # of cement bags | liters | |||
| 4 | $663 | 11-12 | 3.5 | 1,200 | 30 | 60 | 1.0 |
| 6 | $775 | 13-14 | 4.5 | 1,400 | 35 | 70 | 1.0 |
| 8 | $917 | 15-16 | 6.5 | 1,700 | 40 | 80 | 1.5 |
| 10 | $1,111 | 19-21 | 8.0 | 2,000 | 50 | 90 | 2.0 |
For more on materials with which to coat the inside of the digester— after all it’s made from brick or cement, and if it’s not coated it will not be gas–tight— see Plasters and Coats for Digesters and Gas-Holders, pg. 61, in GTZ’s (now GIZ) publication. (All four reports in this series are available from this page.) Another resource of information about mixes to use when gas-proofing a digester is found at the excellent site Energypedia, here.
A final report is from “Biogas plants in animal husbandry”:
Some tried and proven seal coats:
- multilayer bitumen [asphalt], applied cold (hot application poses the-danger of injury by burns and smoke nuisance); solvents cause dangerous/explosive vapors. Two to four thick coats required.
- bitumen with aluminum foil: thin sheets of overlapping aluminum foil applied to the still-sticky bitumen, followed by the next coat of bitumen.
- plastics, as a rule epoxy resin or acrylic paint; very good but expensive.
[*] We assume they mean use a torch before putting on the paraffin mix, since brick coated with paraffin is almost certain to catch on fire.
- paraffin [wax], diluted with 2–5% kerosene heated to 100°C and applied to
the preheated masonry. The paraffin penetrates deep into the masonry, thus providing
an effective (deep) seal. Use kerosene/gas torch to heat masonry.[*]
Werner, Stöhr, & Hees, “Biogas plants in animal husbandry”, 1989 [emphasis added]
Biogas digesters (actually either above or below ground) can also be made from ferrocement. The Big Difference between a water tank and a digester is that for the latter, the entire tank should be gas-tight, instead of just having the bottom and sides be water–tight, but that may be less of a difference than it might sound. In any case, a fair to quite good resource on ferrocement tanks (for water storage, not for biogas, but hey) is Technical Presentation of Various Types of Cisterns Built in the Rural Communities of the Semiarid Region of Brazil. You may also wish to look at some of the publications on this page.
Puxin, a Chinese company, makes a number of biogas-related products such as stoves, including portable concrete forms to produce digesters more quickly. See the video on this page for essentially all the information you need to understand how these portable forms work. (It would be interesting to know if these forms would work if they were made from fiberglass…)
The third edition of the Biogas/Biofertilizer Handbook has some good information on ferrocement digesters as an appendix (not the info in chapter 6). (You may wish to note that rather more than half of the text of chapter 1 in this book is directly “adapted” from TCBH. Sigh.)
One other design should be mentioned. Recently (late June 2013), Prof. Dieter Deublein and his colleages posted a very interesting paper on what they call the Aidewise-biogas plant. (An overview is here, and that page offers a means of downloading complete information.) The Aidewise is made primarily from bricks, and is only partially underground. The authors claim that “The Aidewise-biogas plant (ABP) is an advanced version of small-scale biogas plants…” such as those described above. The descriptive PDF has what appear to be very clear plans for making one of these things:

See much larger original image here.
In sum and as with any of these subjects, a good deal more can be said, but based on what we have seen extant on the lovely explosion–in–a–library known as the World Wide Web (do you need the acronym?), this page likely offers more resources than you will find elsewhere…
Finally, a picture from BSP, the Biogas Support Program of Nepal:

See much larger original image here.
| Next: | How to build a plastic bag digester |
| Previous: | How to build an ARTI-style digester |


